G Pulla Reddy Engineering College

Electrical Machines – Virtual Laboratory

Brake Test on DC Motor

Direct Loading Test for Performance Evaluation

🎯 Aim

To determine the performance characteristics and efficiency of a DC motor by conducting a brake test (direct loading test).

Objectives:

  • To measure the output power, input power, and efficiency at various loads
  • To plot the performance curves: efficiency vs. load, speed vs. load, torque vs. load
  • To determine the maximum efficiency point
  • To analyze the motor's performance characteristics under different loading conditions

📖 Theory

Introduction

The brake test is a direct method of testing DC motors where the motor is loaded directly using a brake drum or rope brake arrangement. This test provides accurate results for efficiency and performance characteristics.

Principle

In a brake test, the motor is loaded mechanically using a brake drum. The load is applied by tightening a rope or belt around the brake drum. The force applied is measured using a spring balance, and the radius of the brake drum is known.

Key Formulas

Output Power (Pout):

Pout = (2pNT) / 60 watts

Where: N = Speed in RPM, T = Torque in N-m

Torque (T):

T = (W ×  R) N-m

Where: W = Net force (difference between spring balance readings) in Newtons, R = Radius of brake drum in meters

Input Power (Pin):

Pin = V ×  I watts

Where: V = Supply voltage in volts, I = Armature current in amperes

Efficiency (η):

η = (Pout / Pin) ×  100%

Advantages

  • Direct measurement of output power
  • Accurate efficiency determination
  • Real-time performance evaluation
  • Suitable for small to medium-sized motors

Disadvantages

  • Requires mechanical loading arrangement
  • Not suitable for large motors due to heat dissipation issues
  • Friction losses in brake mechanism affect accuracy

📜 Procedure

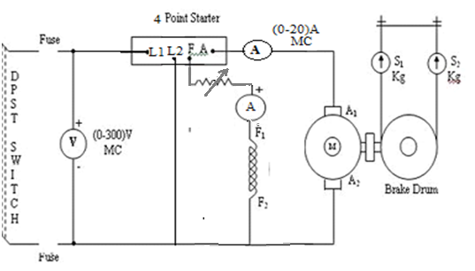
Apparatus Required

  • DC Motor (Shunt/Series/Compound)
  • DC Supply (Variable)
  • Rheostat (Field and Armature)
  • Brake Drum with rope/band
  • Spring Balances (2 nos.)
  • Voltmeter, Ammeter
  • Tachometer (for speed measurement)
  • Connecting wires

Circuit Diagram

Circuit Diagram

Steps

  1. Initial Setup:
    • Connect the DC motor as per the circuit diagram
    • Ensure all connections are tight and secure
    • Check that the brake drum is properly mounted
    • Set the field rheostat to maximum resistance
  2. No-Load Test:
    • Start the motor with no load applied
    • Adjust the supply voltage to rated value
    • Note down: V0, I0, N0
    • Record the spring balance readings (should be equal)
  3. Loading Test:
    • Gradually apply load by tightening the brake rope
    • For each load, note down:
      • Supply voltage (V)
      • Armature current (Ia)
      • Field current (If)
      • Speed (N) in RPM
      • Spring balance readings (W1 and W2)
    • Take readings for 5-8 different load points
    • Ensure the motor doesn't exceed rated current
  4. Observations:
    • Record all readings in a tabular format
    • Calculate torque, output power, input power, and efficiency
    • Plot performance curves

Precautions

  • Ensure proper ventilation for heat dissipation
  • Do not exceed rated current and voltage
  • Apply load gradually to avoid sudden jerks
  • Keep the brake drum cool using water cooling if necessary
  • Ensure spring balances are properly calibrated

📊 Sample Calculations

Given Data

Parameter Value
Rated Voltage (V) 220 V
Rated Current (I) 10 A
Rated Power 2 HP (1492 W)
Brake Drum Radius (R) 0.15 m

Sample Reading

Parameter Value
Supply Voltage (V) 220 V
Armature Current (Ia) 8.5 A
Field Current (If) 0.5 A
Speed (N) 1450 RPM
Spring Balance 1 (W1) 25 N
Spring Balance 2 (W2) 15 N

Calculations

Step 1: Calculate Net Force

W = W1 - W2 = 25 - 15 = 10 N

Step 2: Calculate Torque

T = W ×  R = 10 ×  0.15 = 1.5 N-m

Step 3: Calculate Output Power

Pout = (2pNT) / 60

Pout = (2 ×  p ×  1450 ×  1.5) / 60

Pout = 13659.7 / 60 = 227.66 W

Step 4: Calculate Input Power

Pin = V ×  Ia = 220 ×  8.5 = 1870 W

Step 5: Calculate Efficiency

η = (Pout / Pin) ×  100%

η = (227.66 / 1870) ×  100% = 12.17%

Expected Results

  • Efficiency typically ranges from 70% to 85% for DC motors
  • Maximum efficiency occurs at about 75-80% of full load
  • Speed decreases slightly with increase in load
  • Torque increases linearly with armature current
🚀 Start Simulation
🏠 Back to Home